Questões de Concursos Analista Administrativo Arquitetura

Resolva questões de Analista Administrativo Arquitetura comentadas com gabarito, online ou em PDF, revisando rapidamente e fixando o conteúdo de forma prática.

Filtrar questões
💡 Caso não encontre resultados, diminua os filtros.

21Q104279 | Arquitetura, Analista Administrativo Arquitetura, TCE ES, CESPE CEBRASPE

No que se refere às normas para acessibilidade a edificações, mobiliários, espaços e equipamentos urbanos, assinale a opção correta.
  1. ✂️
  2. ✂️
  3. ✂️
  4. ✂️
  5. ✂️

22Q105017 | Arquitetura, Analista Administrativo Arquitetura, TCE ES, CESPE CEBRASPE

Tendo em vista que, entre outros aspectos, o conforto térmico de edificações pode ser proporcionado mediante o uso de aberturas em alvenarias e janelas para áreas externas, de modo a permitir a saída do ar quente, assinale a opção que apresenta recomendação correta para a obtenção de uma melhor eficácia no conforto térmico em edificações.
  1. ✂️
  2. ✂️
  3. ✂️
  4. ✂️
  5. ✂️

23Q106015 | Arquitetura, Analista Administrativo Arquitetura, TCE ES, CESPE CEBRASPE

De acordo com os critérios da norma brasileira sobre aterramento
  1. ✂️
  2. ✂️
  3. ✂️
  4. ✂️
  5. ✂️

24Q107123 | Arquitetura, Analista Administrativo Arquitetura, TCE ES, CESPE CEBRASPE

A tarefa de projetar na busca da seleção e disposição de mobiliário dentro dos limites espaciais dados deve considerar, entre os critérios estéticos,
  1. ✂️
  2. ✂️
  3. ✂️
  4. ✂️
  5. ✂️

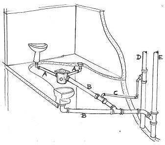
25Q105381 | Arquitetura, Analista Administrativo Arquitetura, TCE ES, CESPE CEBRASPE

                                                 


Na figura acima, as peças identificadas pelas letras A,B,C,D e E integram as instalações sanitárias ocultas de uma construção acabada. Assinale a opção que apresenta a identificação correta da peça.
  1. ✂️
  2. ✂️
  3. ✂️
  4. ✂️
  5. ✂️

26Q105363 | Arquitetura, Analista Administrativo Arquitetura, TCE ES, CESPE CEBRASPE

Em relação aos instrumentos previstos no Estatuto da Cidade, assinale a opção correta.
  1. ✂️
  2. ✂️
  3. ✂️
  4. ✂️
  5. ✂️

27Q106418 | Arquitetura, Analista Administrativo Arquitetura, TCE ES, CESPE CEBRASPE

Considerando que o crescimento da quantidade de tipos de materiais para piso no mercado acarretou aumento no trabalho de escolha do melhor produto de acordo com o projeto, assinale a opção correta com relação às ofertas de revestimentos para piso e às suas características.
  1. ✂️
  2. ✂️
  3. ✂️
  4. ✂️
  5. ✂️

28Q104706 | Arquitetura, Analista Administrativo Arquitetura, TCE ES, CESPE CEBRASPE

A respeito do desenho técnico, dos programas CAD e de suas aplicações práticas, assinale a opção correta.
  1. ✂️
  2. ✂️
  3. ✂️
  4. ✂️
  5. ✂️

29Q106322 | Arquitetura, Analista Administrativo Arquitetura, TCE ES, CESPE CEBRASPE

Considerando que, após avaliada a margem de erro na estimativa de cada componente de um orçamento e definidas as quantidades de insumos, o custo de um empreendimento poderá ser calculado, assinale a opção correta a respeito dos diferentes custos a serem considerados em uma obra.
  1. ✂️
  2. ✂️
  3. ✂️
  4. ✂️
  5. ✂️

30Q107021 | Arquitetura, Analista Administrativo Arquitetura, TCE ES, CESPE CEBRASPE

Considerando as peculiaridades dos diferentes tipos de fundação profunda, assinale a opção correta com relação a estacas pré- moldadas ou pré-fabricadas de concreto.
  1. ✂️
  2. ✂️
  3. ✂️
  4. ✂️
  5. ✂️

31Q106550 | Arquitetura, Analista Administrativo Arquitetura, TCE ES, CESPE CEBRASPE

Assinale a opção correta acerca dos fundamentos em arquitetura e urbanismo.
  1. ✂️
  2. ✂️
  3. ✂️
  4. ✂️
  5. ✂️

32Q105884 | Arquitetura, Analista Administrativo Arquitetura, TCE ES, CESPE CEBRASPE

No estudo de impacto de vizinhança, é obrigatória a análise
  1. ✂️
  2. ✂️
  3. ✂️
  4. ✂️
  5. ✂️

33Q105596 | Arquitetura, Analista Administrativo Arquitetura, TCE ES, CESPE CEBRASPE

No que se refere aos parâmetros estabelecidos para um estabelecimento escolar de ensino infantil, assinale a opção correta.
  1. ✂️
  2. ✂️
  3. ✂️
  4. ✂️
  5. ✂️

34Q107174 | Arquitetura, Analista Administrativo Arquitetura, TCE ES, CESPE CEBRASPE

Acerca da outorga onerosa do direito de construir, assinale a opção correta
  1. ✂️
  2. ✂️
  3. ✂️
  4. ✂️
  5. ✂️

35Q106524 | Arquitetura, Analista Administrativo Arquitetura, TCE ES, CESPE CEBRASPE

Com a recente criação do CAU (Conselho de Arquitetura e Urbanismo), ainda existem algumas dúvidas quanto às diferentes atribuições entre arquitetos e engenheiros vinculados ao CREA (Conselho Regional de Engenharia, Arquitetura e Agronomia), e até com paisagistas e designers. O CAU esclarece em seu site as seguintes atribuições para seus respectivos profissionais.
  1. ✂️
  2. ✂️
  3. ✂️
  4. ✂️
  5. ✂️

36Q105802 | Arquitetura, Analista Administrativo Arquitetura, TCE ES, CESPE CEBRASPE

No que se refere à prática de croquis a mão e aos executados no SketchUp, assinale a opção correta.
  1. ✂️
  2. ✂️
  3. ✂️
  4. ✂️
  5. ✂️

37Q106549 | Arquitetura, Analista Administrativo Arquitetura, TCE ES, CESPE CEBRASPE

A respeito de diferentes materiais para a execução de esquadrias para janelas e portas, assinale a opção correta.
  1. ✂️
  2. ✂️
  3. ✂️
  4. ✂️
  5. ✂️

38Q104736 | Arquitetura, Analista Administrativo Arquitetura, TCE ES, CESPE CEBRASPE

Para o entendimento da paisagem urbana, é essencial o reconhecimento de que
  1. ✂️
  2. ✂️
  3. ✂️
  4. ✂️
  5. ✂️

39Q106172 | Arquitetura, Analista Administrativo Arquitetura, TCE ES, CESPE CEBRASPE

                                               


Considerando as estruturas A,B,C,D e E acima ilustradas, assinale a opção que associa corretamente a estrutura com o seu nome e sua característica.
  1. ✂️
  2. ✂️
  3. ✂️
  4. ✂️
  5. ✂️

40Q104930 | Arquitetura, Analista Administrativo Arquitetura, TCE ES, CESPE CEBRASPE

No que diz respeito aos sistemas de infraestrutura urbana, assinale a opção correta.
  1. ✂️
  2. ✂️
  3. ✂️
  4. ✂️
  5. ✂️
Utilizamos cookies e tecnologias semelhantes para aprimorar sua experiência de navegação. Política de Privacidade.