
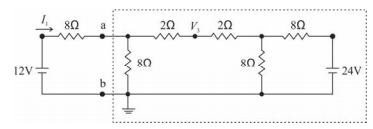
O circuito apresentado na figura acima é concebido na forma de um quadripolo de duas portas. A porta 1 corresponde à entrada do quadripolo, com tensão V
1 e corrente I
1; a porta 2 corresponde à saída, com tensão V
2 e corrente I
2. Supondo que esse circuito funcione a uma frequência fixa

, julgue os itens subsecutivos.