
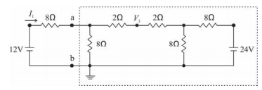
Em relação ao circuito elétrico apresentado na figura acima, que é alimentado por duas fontes CC, julgue os próximos itens.
A tensão nodal V3 pode ser calculada corretamente como a soma de uma tensão de 6 V e outra de 3 V, totalizando 9 V. A contribuição de 6 V é uma parcela devida à fonte de 24 V, enquanto a parcela de 3 V é proporcionada pela fonte de 12 V.